Inverter Oscillator Circuit
In other words the phase shift of the feedback loop should be 0.

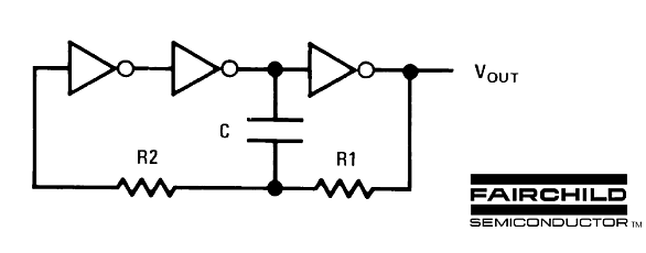
Inverter oscillator circuit. How to build an oscillator with a 7414 schmitt trigger inverter chip. In this circuit we will show how we can build an oscillator circuit with a 7414 schmitt trigger inverter chip. We can use a cmos nand gate or inverter gate and two transistors into the current controlled oscillator circuit cco. In figure 1 use two inverters are connected together as a astable multivibrator circuit.
Szza043 4 use of the cmos unbuffered inverter in oscillator circuits c0 r c l figure 2. Electrical equivalent circuit of a crystal the quantities c and l are determined by the mechanical characteristics of the crystal. We can use a cmos nand gate or inverter gate and two transistors into the current controlled oscillator circuit cco. In figure 1 use two inverters are connected together as a astable multivibrator circuit.
This example shows how two cmos inverters can serve as an oscillator using feedback. An odd number of inverters are required. Using a minimal number of stages within the oscillator allows for maximum frequencies to be achieved however this will be sensitive to voltage variations. 12v dc to 220v ac converter circuit operation when this device is powered using the 12v battery the 555 timer connected in astable mode produces square wave signal of 50hz frequency.
When the output is at logic high level diode d2 will conduct and the current will pass through diode d1 r3 to the base of transistor q1. In an rc oscillator circuit the input is shifted 180 o through the amplifier stage and 180 o again through a second inverting stage giving us 180 o 180 o 360 o of phase shift which is effectively the same as 0 o thereby giving us the required positive feedback.









































