Schema Electrique Chambre Froide Negative
Un guide dachat suivi dun retour dexperiences.

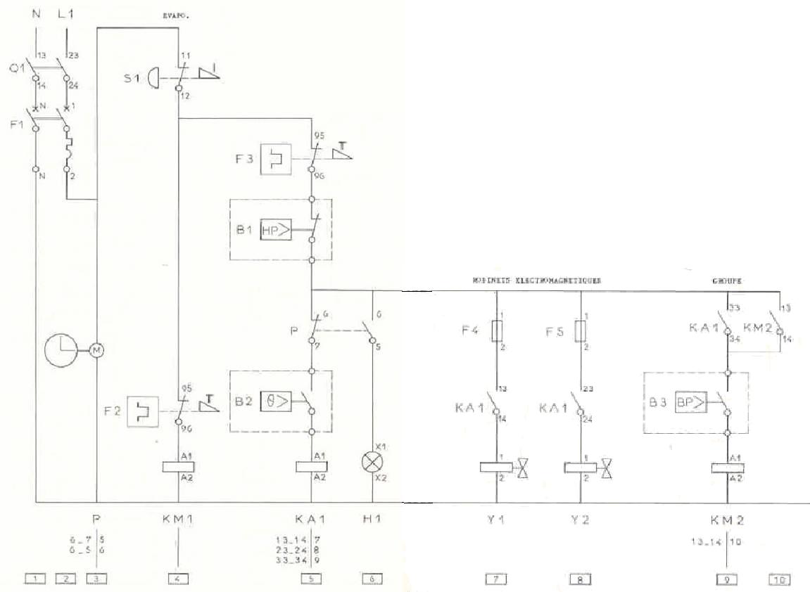
Schema electrique chambre froide negative. La partie electrique cette chambre froide negative sera controlee par un single pump down ameliore appele aussi tirage au vide unique ameliore. Les cordons chauffants sont indispensables dans une chambre froide negative. On le sait tous lorsque leau passe de letat liquide a solide elle peut faire. Voici le podcast de larticle froid01 le circuit frigorifique dans une chambre froide positive.
Revetement interieur inox effet miroirrevetement exterieur aluminium brunbronzesur demande revetement exterieur chromedouble vitrage sur versions positives. Second hand heat treatment furnaces are published free of charge in the heat treatment magazine tratamientos termicos. Read free the magazine at metalspain. Securite installation renovation electrique les informations presentes sur les pages de ce site sont exclusivement a vocation informative.
View and download lamborghini caloreclima ninfa 24 mcs instructions for use installation and maintenance online. Ninfa 24 mcs boiler pdf manual. Technologies et prix des chauffe eaux thermodynamiques.












































